欢迎进入苏源沃世(南京)环境科技工程有限公司官网!

      服务热线:15195977196      选粉机厂家  烘干机厂家  除尘器厂家                                       砂石分选  水泥分选  钾长石分选  石粉分选  除尘脱硫环保产品
VOCs治理
 前处理技术
 PDR技术
 PDR+RTO技术
 PDR+RCO技术
 VOCs防爆技术
联系方式
苏源沃世(南京)环境科技工程有限公司
联系人 :王经理
手机:15195977196
微信号:15195977196
电话:025-86118737
传真:025-86118737
邮箱:sywsnj@163.com
地址:南京市江宁区秦淮路100号海通大厦
当前位置 --> 网站首页 --> VOCs治理
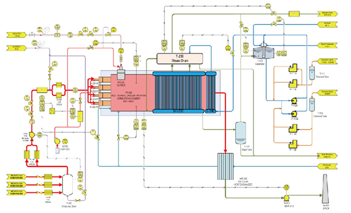
直燃式氧化器PDR-DFTO技术
工作原理
结合高温脉冲波反应器的直燃式热氧化器锅炉(PDR-DFTO Boiler)系统全部在负压操作,不会有VOC外泄的困扰,而且能同时处理高浓度VOC及低浓度VOC,并将过剩能量有效回收转换为蒸汽,提高投资回收效益。
在结合高温脉冲波反应器的直接燃烧式热氧化器锅炉(PDR-DFTO Boiler)的高温氧化反应室,具有一组共六个高温脉冲波反应器(Pulse Detonation Reactor),利用高温脉冲波处理高浓度VOC废气。高温脉冲被反应器并直接利用PDR-DFTO Boiler的高温氧化反应室作为第二次燃烧处理之用,以确保高浓度VOC废气能被彻底破坏。
由PDR-DFTO Boiler的高温氧化反应室排出的高温气体,利用水管式锅炉及外置热媒油锅炉回收能源。
PDR-DFTO Boiler系统能源回收可达到70%以上;VOC破坏效率达99%以上。
处理气体类别
在VOCs气体大量混合杂质颗粒物的情况以及气体反应容易产生积碳的情况选用
容易使催化剂中毒的VOCs气体气体选用。
适用范围
涂装行业、涂布行业、制药行业、印刷行业、半导体行业、石化行业

关于我们 | 产品展示 | VOCs治理 | 经典案例 | 新闻资讯 | 解决方案 | 服务中心 | 联系方式
版权所有@ 2018-2021 苏源沃世(南京)环境科技工程有限公司 苏ICP备18035268号
服务热线:025-86118737 联系人:王经理15195977196 邮箱:sywsnj@163.com 地址:南京市江宁区秦淮路100号海通大厦
 
在线客服
联系人:王经理
15195977196
微信客服